联系我们:0312-2016988

技术支持

SUPPORT

联系我们

电话:0312-2016988

邮箱:xiashuang@cengol.com

行业解决方案

宇泉半导体拥有丰富的碳化硅功率器件产品系列,包括符合AEC-Q101标准的碳化硅(SiC)MOSFET和SBD,以及工业用混合/全碳化硅功率模块,能提供可扩展、高性价比和高能效的解决方案。

光伏逆变器

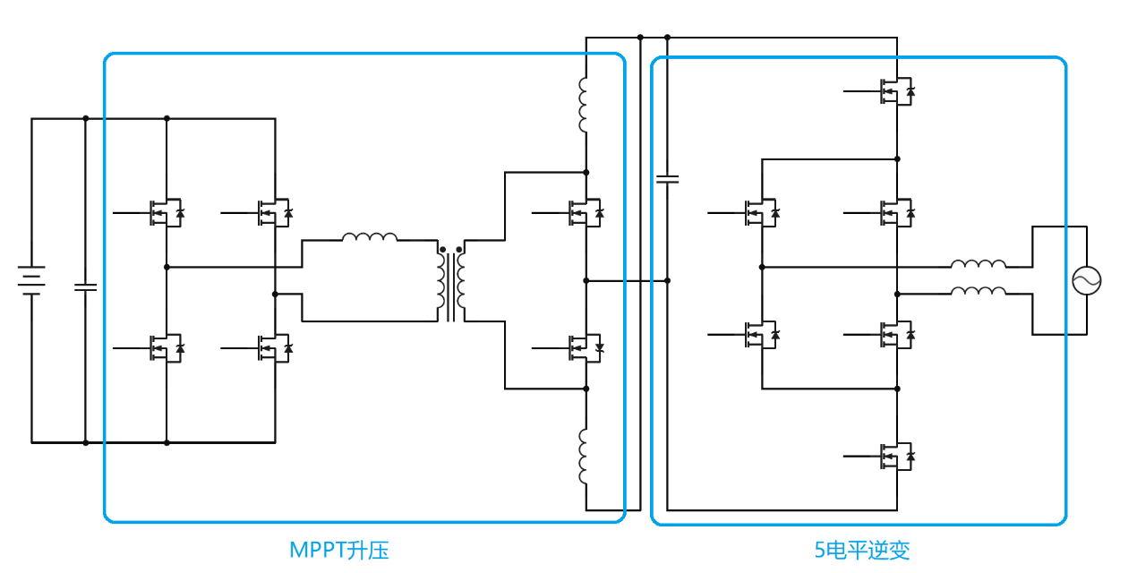
光伏逆变器作为分布式光伏并网系统的重要组成部分,其可靠性和转换效率对光伏系统的性能有着重要影响。采用碳化硅功率器件实现的光伏逆变器,在转换效率以及功率密度、可靠性方面具有巨大的优势。低导通电阻、高耐压、高可靠、无拖尾电流的碳化硅功率器件助力光伏逆变器转换效率以及功率密度提升至更高高度。
应用优势

·低导通电阻降低能量损耗

·低反向恢复电荷降低开关损耗

·无拖尾电流,降低损耗


推荐选型

· CGE1S12010

· CGE1S12020

· CGE1S12040

· CGE1M120030

· CGE1M120060

地址:河北省保定市高开区励行街666号大学科技园科创分园B6-203
邮编:071025
电话:0312-2016988
邮箱:xiashuang@cengol.com

版权所有:©2025 宇泉半导体 ALL RIGHTS RESERVED 京ICP备2021006800号-1